Home
High power amplifier for 1296
1 KW SSPA for 1.8-54 MHz
A 1.5 KW LPF for 160-6m
1.8 to 54 MHz Dual Directional Detector
1.8 to 54 MHz combiner set
Automatic Transverter Interface
1 KW 6 Meter LDMOS Amplifier
2 Meter 80W All Mode Amplifier
1 KW 2M LDMOS Amplifier
1 KW 222 MHz LDMOS Amplifier
500w 70cm Amplifier
1KW 70cm LDMOS Amplifier
A Big Power Supply for SSPAs
Low Pass Filter/Dual Directional Detector
Sampling RF Power
LED Bar Graph Meter
Amplifier Control Board
LNAs (preamps) and MMICs
LNA Sequencing and Protection
Building UHF Antennas
VHF OCXO
MIcrowave Marker
Crystal Oven Controller
Microwave L.O.
Latching Relay Driver
12 to 28v
Relay Sequencer
High Current DC Switch
L & S Band LNA
Microwave L.O. Filters
PC Board Filters
Using Inexpensive Relays
600w 23cm LDMOS Amplifier
XRF-286 Amplifiers for 23cm
150W 23CM Turn-Key Amplifier
300w 23cm Amplifier
200w 23cm Amplifier
100w 23cm "brick"
100w 23cm Transverter
60w 23 cm Amplifier
23 CM Beacon
23cm Signal Generator
23cm Double Quad
23cm filters
13cm filter
13cm Signal Generator
13cm Transverter
120w 13 cm Amplifier
600w+ 33cm Amplifier
300w 33cm Amplifier
33cm filter
33 cm Crystal Source
33cm Signal Generator
9cm Transverter
Transverter Selector
12 AND 28 volts
Klitzing Amplifiers
IC-910H tweaks
Audio Files
Parts I Can Supply
Current Projects
Links

Comments? email to

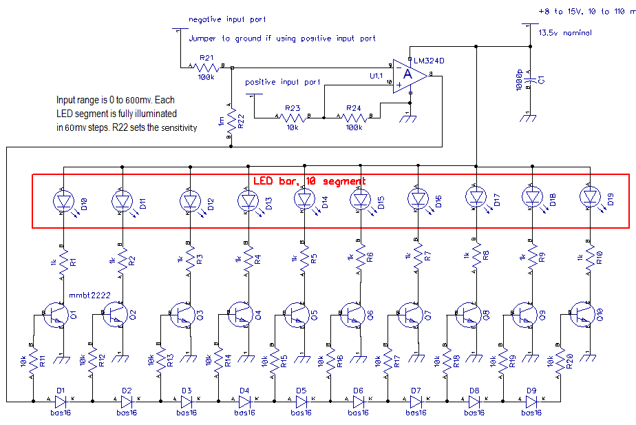
LED Bar Graph Meter

Here's a slick little peak-reading indicator.

In my quest to find the right kind of meters for some of my projects, I became a bit frustrated with all the types and styles out there, the scarcity of exactly the correct ranges and scales, and the cost.

Down East Microwave (DEMI) has a product offering that is a nice alternative...it's a LED bar graph display that uses a 20-pin LED package with 10 devices in it; the idea and basic design is credited to Dave (WW2R). In the DEMI display, the first few segments are green, the middle ones are yellow, and the last 2 or 3 are red; makes a nice eye-catching display. The LED bar component can be purchased from many suppliers in red, green, yellow, and the multi-color version, though that last one is a bit pricey in small quantities.

Looking at the DEMI product, and being the curious sort, I thought I might like to try to make one; pretty silly, I admit, since their kit is reasonably priced. The first hurdle was finding the driving chips...most of the distributors I checked with listed them as a discontinued part with no stock, so I decided to design my own version using common discrete components.

What I wound up with is the unit shown here; it's small...about 1.3 x 2.5 inches. As designed, it requires only 60 millivolts to light the first segment, with each additional segment fully illuminated in 60 mv steps. As each segment approaches full brightness, the next segment begins to illuminate, allowing for some in-between interpretation. Full scale requires 600 millivolts input, though the gain of the driving chip can be set to make it more (or less) sensitive. It will accept either a positive or a negative input signal, and runs on anything from 8 to 15v at 10 to 110 ma. I'm using two of them on one of my amplifiers to monitor forward and reflected power. Power meters are always suspect in accuracy (they are only as accurate as the detectors feeding them), so a relative indicator like this one was an easy choice. RF doesn't bother it at all, even at the KW level.

A builder can mount it into a panel in the vertical or horizontal using the two mounting holes provided, or as in the case of the amplifier referenced above, mount it to a support bracket located just behind the panel. It's a bit of a chore to cut a rectangular hole to position the face of the bar display flush into a panel, but worth the effort to do so.

The basic design idea I had was to use a diode to step the LED segments apart from one another. A diode drops about the same amount of voltage across it's junction as a transistor does from emitter-to-base (which is a diode itself), making it a good sequencing component. The diode feeds a transistor switch, which turns on it's individual LED segment. By placing 9 diodes in series after the first transistor switch, each segment illuminates in step, following the input voltage ramp.

The only other thing to do was to drive all of this with an opamp, which can be varied in gain for more or less sensitivity, and will accept a negative signal on it's inverting input, or a positive signal on it's non-inverting input. Almost any diode, transistor, or op-amp can be used in this design; I chose the ones I use the most...bas16 diodes, mmbt2222 transistors, and an LM324 opamp (this is a quad opamp, but only one of the 4 individual units is used). If you are able to make your own PC boards, the artwork for this is here. The schematic is shown below.


 

Another thing worth mentioning is the ability to mount the display on either side of the board; because most components are surface-mount, and leave plenty of clearance for mounting the LED bar into a panel, it isn't necessary to mount the display bar on the back side of the board.

The tri-color displays present a different situation; different manufacturers put the red led segments on different ends of the display bar, and since we usually want the red segments to illuminate last, those segments need to be oriented toward Q10.

The HP tri-color displays mount to the component side, but I've found most of the other makers put the red segments at the other end, and those must mount on the back side of the board if those segments are to illuminate last.
The board shown to the right is the most current revision being supplied in the kits (v5). It is exactly the same as v4 except for R22, which was changed to a trimmer resistor to allow the sensitivity to be adjusted. This won't matter for those of us using an adjustable detector, but if you are using a detector without an adjustable output, this feature will allow full scale to be adjustable from less than 1 volt to more than 15 volts.

The trimmer resistor can be mounted to either side of the board, and should be mounted to the side facing away from the panel the display will be mounted to (this allows access to the adjustment and prevents the part from interfering with mounting).

The most common method of mounting the LED display bar and trimmer resistor is the way they are pictured here.